Před časem jsem potřeboval pro pokusy s PC zdroj záporného napětí. Záporné napětí sice v PC je, je však přístupné pouze ve slotech pro rozšiřující karty. Protože jsem nechtěl riskovat zkrat, použil jsem snadno dostupné napětí +12 V a měnič. Jednodušší by bylo odizolovat kabel od zdroje k základní desce a připojit k němu vývod. Protože jsem však krátce předtím přestavěl počítač do nové skříně, nechtěl jsem ztratit záruku na zdroj. Měnič lze použít samozřejmě i v jiných aplikacích, kde je potřeba záporné napětí, např. u přístrojů napájených z baterie.

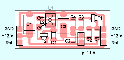
Obr. 1. Zapojení měniče. V závorce jsou typy pro klasickou
montáž
Fig. 1. Inverting DC-DC Converter
Základem měniče z obr. 1 je blokující samokmitající měnič s tranzistorem T2. Dokud je tranzistor T2 otevřený, zvětšuje se proud cívkou a cívka se „nabíjí“. Záporné napětí vzniká překmitem napětí na cívce L1 po uzavření T2. Dioda D1 napětí usměrní a kondenzátor C3 vyfiltruje. Báze tranzistoru T2 je buzena z vinutí L2. Pro správnou funkci je třeba dodržet smysl vinutí. Nebude-li měnič kmitat na první zapojení, zkuste prohodit konce vinutí L2. V zapojení byla použita cívka 56 µH (SMD4), na kterou jsem přivinul tenkým drátem 4 závity L2. Indukčnost cívky není kritická. Pro větší výkony bude vhodnější hrníčkové jádro s poměrem závitů mezi vinutími asi 10:1.
Blokující měnič je řízen obvodem s tranzistorem T1. Po zapnutí je T1 otevřený a báze T2 je buzena proudem procházejícím rezistory R3 a R4. Báze T1 je připojena na dělič z R1 a R2. Dosáhne-li napětí na výstupu požadované velikosti, zmenší se napětí na bázi T1 a tranzistor se přivře. Následně se zmenší i proud báze T2 a výkon měniče se zmenší. Změnou odporu R2 lze nastavit na výstupu i jiné napětí. Použitelný rozsah výstupních napětí je asi -2 až -30 V. Lze také zmenšit odpor rezistoru R1 a místo R2 použít Zenerovu diodu – výstupní napětí pak bude stabilizované.
Měnič v uvedeném zapojení dodal proud asi 50 mA. Velký vliv měl odpor rezistoru R4 a typ použité diody. Zvětšíte-li odpor R4, dodá měnič větší výkon, avšak při menší účinnosti. Účinnost měniče je asi 75 % a klidový odběr pouze 100 µA. Měnič měl napájet oddělovací zesilovač ke zvukové kartě. Nakonec se ukázalo, že se pro daný účel nehodí. Výstupní napětí je nedostatečně filtrováno a spínací kmitočet měniče interferoval s něčím v PC, což se projevilo "cvrlikáním" v signálu. Třeba někdo najdete pro měnič jiné použití.
![]() |
![]() |
Obr. 2 a 3. Deska s plošnými spoji.
Použijete-li pravé tlačítko myši a zvolíte-li "Uložit
obrázek jako", získáte předlohu spojů v rozlišení 600
dpi
Fig. 2 & 3. PCB layout. Click right
mouse button and choose "Save image as" to get 600 dpi
resolution image
Deska s plošnými spoji byla navržena tak, aby k napájení měniče bylo možno použít některý konektor pro ventilátor na základní desce PC. Konektor slouží zároveň jako držák desky. Použil jsem standardní konektor. Do kontaktů konektoru jsem připájel kousky drátů s průměrem 1 mm. Vývody jsem pak zahnul a zapájel do desky - viz fotografie. Deska se dá použít jako průchozí, není-li žádný konektor pro ventilátor volný.


Obr. 4 a 5. Konektor pro napájení z PC
Fig. 4 & 5. Plug to PC fan connector

Obr. 6. Sestavený měnič
Fig. 6. Builded converter
Jaroslav Belza
Měnič byl otištěn v Praktické elektronice č. 6/2001 na s. 32
10. 6. 2001