Indicator is an useful supplement for car in countries, where is compulsory switch light on if car go. Indicator beep after aprox. 40 sec if driver don't switch light on after motor start.
Popsaný indikátor připomene řidiči automobilu, že zapomněl rozsvítit světla. Jeho výhodou je jednoduchá konstrukce, minimální zásah do vozidla a nulová klidová spotřeba. Nerozsvítíme-li světla asi do 40 s po zapnutí zapalování, začne indikátor pípat.

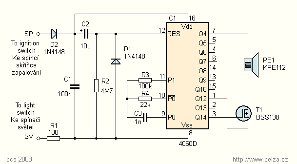
Obr. 1. Indikátor nf signálu
Fig. 1. Audio signal indicator
Zapojení indikátoru je na obr. 1. Do elektroinstalace vozu se připojuje dvěma vodiči. Vodič SP se připojí za spínací skříňku do místa, kde se objeví napětí 12 V po otočení klíčku v zapalování. Vodič SV se připojí do místa, ve kterém se objeví 12 V po rozsvícení světel. Při zhasnutých světlech je vývod SV spojen přes vlákna žárovek s kostrou vozu. Vodiče s požadovanými napětími jsem našel ve svém voze v kabelu k autorádiu. Při zapnutém zapalování a zhasnutých světlech je na IC1 přivedeno napájecí napětí přes diodu D2 a rezistor R1. Kondenzátor C2 je vybit a na vstupu reset (vývod 12) je velké napětí. Oscilátor obvodu (R3, R4, C3) nekmitá a indikátor mlčí. Jak se kondenzátor C2 nabíjí, napětí na vstupu reset se zmenšuje a dosáhne-li přibližně poloviny napájecího napětí, oscilátor se rozkmitá. Kmitočet oscilátoru je přibližně 25 kHz. Po vydělení šestnácti je na vývodu Q4 signál s kmitočtem asi 1,5 kHz, který je přiveden na piezoelektrický měnič PE1. Kdybychom druhý vývod měniče připojili na zem nebo na kladné napájecí napětí, ozýval by se nepřerušovaný tón. Zde je tón přerušován tranzistorem T1. Vývody G a S tranzistoru jsou připojeny na výstupy dalších děliček obvodu 4060 s podstatně nižším kmitočtem. Tranzistor je sepnut a tón se ozývá jen tehdy, je-li na vývodu Q12 úroveň H a na vývodu Q14 úroveň L. Substrátová dioda, která je mezi vývody D a S tranzistoru, funkci nevadí. Elektricky totiž piezoelektrický měnič představuje kondenzátor, který se při zavřeném tranzistoru přes substrátovou diodu nabije, a dále se napětí na něm nemění. Dobu, za kterou začne indikátor pípat, určuje kapacita C3 a odpor R2. Původně jsem použil rezistor R2 s odporem 1M, avšak prodleva asi 7 s se ukázala jako příliš krátká. Dioda D1 zajistí rychlé vybití C2 po odpojení napájecího napětí. Pro úplnost je třeba se zmínit ještě o rezistoru R1. Vstup reset obvodu 4060 totiž není ošetřen Schmittovým klopným obvodem. V okolí rozhodovací úrovně vstupu začne sice oscilátor kmitat, ale jeho kmitočet se mění, takže místo prvního pípnutí indikátor zakňourá. Zapojením rezistoru R1 se tento jev prakticky odstraní. V okolí rozhodovací úrovně na vstupu se totiž podstatně zvětší odběr IO a na R1 vznikne úbytek napětí. Zatímco se tedy napětí na C2 zvětšuje, napájecí napětí se krátkodobě zmenší, čímž se přechod přes rozhodovací úroveň vstupu urychlí.

Obr. 2. Deska s plošnými spoji indikátoru(25.7 x 33.3 mm).
Použijete-li pravé tlačítko myši a zvolíte-li "Uložit
obrázek jako", získáte předlohu spojů v rozlišení 600
dpi
Fig. 2. PCB layout (1.01 x 1.31 inch).
Click right mouse button and choose "Save image as" to
get 600 dpi resolution image

Obr. 3. Rozmístění součástek na desce
Figure 3. Locations of components on the
DAC board
Indikátor je osazen součástkami SMD na desce s plošnými spoji podle obr. 2 a 3. Oproti vzorku na fotografiích byla deska zvětšena o proužek, za který lze indikátor připevnit pod palubní desku vozu např. vázacím páskem. Já jsem nechal indikátor zavěšený na přívodních drátech, což není zrovna optimální způsob uchycení. Zapojení nemá žádné záludnosti a indikátor by měl fungovat na první zapojení. Necítíte-li se na pájení SMD, můžete indikátor postavit na kousku univerzální desky z klasických součástek. Jako T1 pak použijte např. BS108.
| R1 | 100 Ohm, SMD 1206 |
| R2 | 4,7 MOhmW, SMD 1206 |
| R3 | 100 kOhm, SMD 1206 |
| R4 | 22 kOhm, SMD 1206 |
| C1 | 100 nF, SMD 1206 |
| C2 | 10 µF/16 V, SMD B |
| C3 | 1 nF, SMD 1206 |
| D1, D2 | 1N4148 SMD SOD80 |
| T1 | BSS138 |
| IC1 | CMOS 4060D |
| PE1 | KPE112 |
| deska s plošnými spoji bcs58 / PCB | |

Obr. 4. Fotografie osazené desky
Fig. 4. PCB with components

Obr. 5 a 6. Vrchní strana indikátoru a hotový indikátor ve
smšťovací pásce
Fig. 5 and 6. Top side of the PCB and
Indicator in heat shrink tube
Jaroslav Belza
Návod na tento indicator byl otištěn také v PE 10/2008 s. 17.
23. 11. 2008