
| Pro malé napájecí zdroje se mi osvědčilo zapojení, jehož základní zapojení je na obr. 1. Na vstup je přivedeno nestabilizované napětí (např. z usměrňovače, baterie nebo akumulátoru). Na výstupu pomocného stabilizátoru 78L05 je referenční napětí, v tomto případě 5 V. Potenciometrem P nastavujeme výstupní napětí. Operační zesilovač a tranzistor T1 tvoří vlastně jen „výkonový zesilovač“, který zesiluje napětí z běžce potenciometru P. | ![]() Obr. 1. Regulovatelný stabilizovaný zdroj s operačním zesilovačem Fig. 1. Regulated power supply with op-amp |
| Jako zdroj referenčního napětí může být
použit i jiný typ stabilizátoru, velikost výstupního
napětí přitom není příliš důležitá. Z běžně
dostupných typů lze použít např. také LM317,
ICL8069 (1,25 V); TL431 (2,5 V); referenční zdroj z
MAA723 (7,15 V) nebo MAB01 (10 V). Vstupní napětí
však musí být tak velké, aby stabilizátor správně
pracoval a referenční napětí bylo stabilní.
Zpravidla stačí, když je vstupní napětí alespoň o
3 V větší než referenční napětí. Výstupní
napětí zdroje nastavujeme potenciometrem P. Je-li
nastaven na maximum, je výstupní napětí určeno
rezistory R1 a R2 |
Výstupní napětí nemůže být samozřejmě
větší než napětí vstupní. Maximální výstupní
napětí je zpravidla asi o 2 až 3 V menší. Pozornost je třeba věnovat výběru operačního zesilovače. Můžeme použít například běžný OZ typu MAA741 (µA741). Aby však zdroj pracoval a dal se regulovat od 0 V, je třeba k jeho napájení ještě záporné napětí nejméně 3 V. Kladné napájecí napětí OZ je připojeno ke vstupu zdroje. Tento OZ má na vstupech bipolární tranzistory s vodivostí n-p-n. Přeruší-li se z nějakého důvodu kontakt běžce potenciometru s odporovou drahou, přestane téci proud do vstupu OZ a napětí na výstupu se zmenší k nule. Získat záporné napájecí napětí může být v některých případech obtížné. Pak můžeme použít takový typ operačního zesilovače, který umí zpracovávat signály blízké zápornému napájecímu napětí, a záporné napájecí napětí OZ připojit na zem zdroje (0 V). Z běžných typů vyhovuje např. LM358 (dvojnásobný OZ) nebo LM324 (čtyřnásobný). Vnitřní zapojení je u obou typů obdobné. |
| Konkrétní zapojení zdroje
je na obr. 2.
Oproti obr. 15 je dokreslen usměrňovač a zapojení je
doplněno několika dalšími součástkami,
zlepšujícími jeho vlastnosti. Svítivá dioda LED2 indikuje zapnutý zdroj. Rezistor R3 s kondenzátorem C7 zmenšují šum ve výstupním napětí zdroje. Na vstupu operačního zesilovače LM358 jsou tranzistory p-n-p. Aby se v případě poruchy potenciometru zmenšilo výstupní napětí k nule, je ke vstupu OZ připojen rezistor R4. Na běžnou funkci zdroje má tento rezistor zanedbatelný vliv. V praxi nelze vyloučit ani případ, kdy budeme zdrojem nabíjet akumulátory. Aby se zdroj nepoškodil v případě, kdy vypneme napájení a akumulátory zůstanou připojeny, je do výstupu zapojena dioda D5. Ta zamezí zpětnému průchodu proudu. |
Rezistor R5 omezuje
zkratový proud zdroje především v prvním okamžiku
zkratu, kdy je kondenzátor C5 ještě zcela nabit. Zdroj nemá žádné další omezení výstupního proudu. U zdrojů s výstupním proudem do 0,5 A, napájených z malého transformátoru, není problém dimenzovat součástky tak, aby zdroj vydržel i delší zkrat na výstupu. Zdroj můžete postavit na desce s plošnými spoji z obr. 4. Na desku osadíme jen součástky uvedené ve schématu, ostatní (které jsou na obr. 4 navíc) zatím neosazujeme. |

Obr. 2. Zapojení jednoduchého napájecího
zdroje
Fig. 2. Simple power supply
| Napětí pro zdroj získáme
ze síťového adaptéru nebo malého transformátoru. V
obou případech se jedná o měkký zdroj napětí. To
znamená, že se zatížením se výstupní napětí
rychle zmenšuje. Použijeme-li např. transformátor se
sekundárním napětím 15 V a příkonem např. 5 VA,
bude napětí na filtračním kondenzátoru (C5)
naprázdno asi 25 V. Zdroj pak bude schopen dodat plné
výstupní napětí 15 V při proudu asi do 150 mA, při
napětí 5 V však lze odebrat proud např. 300 mA. Dále
popsaný indikační obvod nás upozorní na stav, kdy se
zmenší vstupní napětí natolik, že výstupní
napětí již není stabilizováno. Zapojení zdroje s indikačními obvody je na obr. 3. Indikační obvod má dvě části. První část indikačního obvodu nás varuje, že vstupní napětí je příliš malé. Při malém vstupním napětí nebude správně pracovat zdroj referenčního napětí s IO1. Stabilizátor 78L05 potřebuje ke správné funkci napájecí napětí nejméně 7 V. Tranzistor T2 je při běžném provozu zcela otevřen proudem procházejícím Zenerovou diodou D6 a rezistorem R6. Při napájecím napětí menším než asi 7,5 V se T2 uzavře a přes R8 a D7 prochází proud na bázi T3. Tranzistor T3 se otevře a LED1 se rozsvítí. |
Tranzistory T3 a T4 jsou v
zapojení, které dodává do LED1 prakticky konstantní
proud asi 15 mA již od napětí asi 3 V. Otevřeme-li
tranzistor T3 proudem do báze, vytvoří proud
procházející LED1 a T3 úbytek napětí na rezistoru
R9. Dosáhne-li tento úbytek napětí asi 0,5 V,
otevírá se tranzistor T4 a zmenší proud tekoucí do
báze T3 tak, že část budicího proudu svede k zemi.
Tranzistor T3 je proto vždy otevřen pouze tak, aby na
rezistoru R9 byl úbytek právě 0,5 V. Odpor rezistoru
pak určuje, jakým proudem bude buzena LED. Bez tohoto
obvodu by LED1 při malém napájecím napětí svítila
jen velmi málo, případně při velkém napájecím
napětí by byla namáhána nadměrným proudem. Pro LED
s malým příkonem zvolíme R9 = 150 Ohm. Druhá část indikačního obvodu sleduje zvlnění napětí na výstupu zdroje. Zvlnění napětí se na výstupu objeví tehdy, je-li rozdíl mezi vstupním a výstupním napětím tak malý, že zdroj není schopen napětí stabilizovat. Tuto část indikačního obvodu si spolu s mechanickým provedením popíšeme příště. Pro největší nedočkavce uvádím s předstihem desku s plošnými spoji a seznam součástek. |

Obr. 3. Zapojení napájecího zdroje s
indikačními obvody
Fig. 3. Simple power supply with
undervoltage and no-stabilization indicator
| Napětí na výstupu zdroje můžeme nastavit od nuly až do napětí, které je asi o 3 V menší než je napětí před stabilizátorem (na kondenzátoru C5). Nastavíme-li potenciometrem napětí na výstupu zdroje větší nebo poklesne-li napětí před stabilizátorem vlivem zvýšené zátěže, nebude již na výstupu napětí stabilizované a ve výstupním napětí se objeví zvlnění. K indikaci zvlnění slouží obvod s druhou polovinou IO2 a T2. Indikace pracuje samozřejmě pouze tehdy, je-li zdroj napájen z transformátoru nebo síťového adaptéru bez stabilizátoru. | Signál se odebírá z
emitoru tranzistoru T1, prochází kondenzátorem C10 a
rezistorem R14 a zesiluje se asi 200x v zesilovači s
IO2a. Za zesilovačem je zapojen poněkud neobvyklý
detektor. Není-li výstupní napětí zvlněné, není
na rezistoru R13 napětí a tranzistor T5 je zcela
uzavřen. Bude-li na výstupní napětí zvlněné, bude
zesílené napětí i na výstupu OZ. Tranzistor T5 se
bude otevírat při kladné půlvlně signálu na
výstupu OZ a bude nabíjet kondenzátor C11. Napětím z
C11 se přes rezistor R10 otevře T3 a rozsvítí se
LED1. Obvod, budící LED konstantním proudem, je
společný i pro indikaci podpětí, popsanou v minulém
čísle. Obvod pro indikaci zvlnění je velmi citlivý. LED se rozsvítí již při zvlnění asi 3 mV na výstupu. Určitou nevýhodou je, že se LED1 krátce rozsvítí nastavujeme-li výstupní napětí potenciometrem P. |
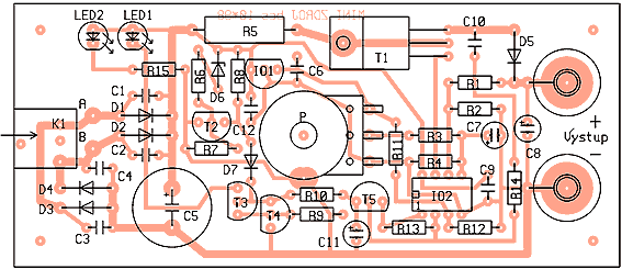
| Napájecí zdroj můžete
postavit na desce s plošnými spoji podle obr. 4. Desku
můžete použít buď samostatně, tak jak je to na
fotografiích, nebo ji vestavět do vhodné skříňky.
Ve skříňce může být deska umístěna přímo pod
čelním panelem nebo ji lze umístit jinde.
Obr. 4. Deska s plošnými spoji pro
zdroj z obr. 2 a 3. Kliknutím získáte obrázek v
rozlišení 300 dpi |
V případě, že bude deska
pod čelním panelem, je třeba kondenzátor C5 zapájet
ze strany spojů, případně jej umístit zcela mimo
desku (můžete pak použít i starší rozměrnější
typ nebo kondenzátor s větší kapacitou). Také
tranzistor T1 je v tomto případě vhodnější
přišroubovat na větší chladič mimo desku s
plošnými spoji. Výkonový tranzistor lze pak použít
i v pouzdře TO3, např. 2N3055 nebo tuzemský KD607
apod. K upevnění desky pod čelní panel potřebujeme
ještě 4 distanční sloupky dlouhé 10 až 15 mm.
Plastové zdířky jsou zapájeny přímo do desky s
plošnými spoji. Na každou zdířku je nasazena
plastová trubička dlouhá 12 mm. Trubičku uřízneme z
„těla“ silnějšího fixu (např. Centropen 2836).
Potenciometr je přišroubován k desce a vývody jsou s
deskou propojeny kousky drátu. Nebude-li deska umístěna pod čelním panelem, propojíme potenciometr a výstupní zdířky s deskou vhodným kablíkem. |

Obr. 5. Rozložení součástek na desce s
plošnými spoji
Fig. 5. Locations of components on the
board
| Sekundární vinutí
transformátoru je připojeno k bodům A a B na desce
s plošnými spoji. Především začátečníkům bych
doporučil použít raději síťový adaptér. Na
fotografii je adaptér od nabíječky k akumulátorové
vrtačce (jmenovité napětí 15 V, napětí naprázdno
23 V). Pro náš účel je vhodný adaptér s větším
napětím a výstupním proudem. Adaptér může být
buď jen transformátor (na výstupu je střídavé
napětí) nebo transformátor s usměrňovačem. Je-li
v adaptéru s usměrňovačem filtrační kondenzátor
s dostatečnou kapacitou, není třeba na desce s
plošnými spoji zdroje osazovat kondenzátor C5. Napětí je z adaptéru vyvedeno kablíkem, zakončeným konektorem. Pokud je použit tzv. napájecí konektor, lze desku osadit konektorem SCD-016 nebo SCD-016A - viz foto. Jiné typy konektorů musíte umístit mimo desku. |
Pokud použijete adaptér s usměrňovačem, není třeba osazovat usměrňovač na desce s plošnými spoji. Bude-li mít adaptér s usměrňovačem a s napájecím konektorem kladný pól uprostřed (na dutince), stačí osadit pouze diodu D1 a diodu D4 nahradit propojkou. Bude-li na napájecím konektoru uprostřed záporný pól, osadíme diodu D2 a propojkou nahradíme diodu D3. Kondenzátory C1 až C4 pak nejsou potřeba. Polarita napětí na napájecím konektoru není nijak standardizována a může se lišit podle původního určení adaptéru. Diodou D1, resp. D2, ponechanými na desce chráníme zdroj před přepólováním při použití jiného adaptéru. |
Změna vstupního a výstupního napětíZdroj je navržen tak, aby se výstupní napětí dalo
nastavit od nuly do 15 V. K napájení potřebujeme
transformátor se sekundárním napětím 15 až 18 V
nebo síťový adaptér s výstupním napětím 15 až 24
V. Použijete-li transformátor nebo adaptér s jiným
napětím, je vhodné přiměřeně upravit i rozsah
výstupních napětí. Maximální napájecí napětí
zdroje je 35 V. Pak by bylo možné zvětšit odpor
rezistoru R1 např. na 20 kOhm – výstupní napětí
bude možno měnit od 0 do 25 V. |
Napájecí zdroj pro větší proudV principu nic nebrání použít uvedené zapojení pro proudy do několika ampér. Pro větší proudy je zejména potřeba:
Popsaný zdroj lze postavit za zlomek ceny profesionálního zdroje. Pro vývoj většiny běžných zapojení však zcela vyhoví. Uvítám případné připomínky k této konstrukci na adrese redakce. |

| R1, R3, R6, R7, R8, R10, R11 a R14 | 10 kOhm | D1 až D5 | 1N4007 | |
| R2 | 4,7 kOhm | D6 | BZX55 6V2, Zenerova dioda 6,2 V | |
| R4 | 1 MOhm | D7 | libovolná Si dioda, např. 1N4148, KA262 apod. | |
| R5 | 2,2 Ohm/2 W, viz text | LED1 | červená, matná | |
| R9 | 33 Ohm | LED2 | zelená, matná | |
| R12 | 22 kOhm | T1 | n-p-n výkonový tranzistor v pouzdru TO220, např. BD243 | |
| R13 | 1,8 MOhm | T2 až T4 | libovolný n-p-n tranzistor, např. KC238, BC548 apod. | |
| R15 | 1,5 kOhm | T5 | libovolný p-n-p tranzistor, např. KC307, BC558 apod | |
| P | 10 kOhm, lin. potenciometr | IO1 | 78L05, stabilizátor | |
| C1 až C4 | 22 nF, keramický | IO2 | LM358, dvojitý operační zesilovač | |
| C5 | 2200 µF/25 V, elektrolyt. | Červená a černá plastová zdířka | ||
| C6, C9, C10, C12 | 100 nF, keramický | Konektor SCD-016, viz text | ||
| C7, C11 | 1 µF/50 V, elektrolytický | Chladič pro T1 (DO2) | ||
| C8 | 10 µF/16 V, elektrolyt. | Síťový adaptér s výstupním napětím 15 až 24 V a výstupním proudem 300 až 1000 mA (vhodné pro začátečníky – nehrozí úraz elektrickým proudem) nebo transformátor 5 až 10 VA s jedním sekundárním vinutím s napětím 15 V. | ||
| Desku s plošnými spoji lze objednat u firmy Kohout, Nosická 16, 100 00 Praha 10, tel.: (02) 781 38 23. | ||||
Jaroslav Belza
Použity obrázky a upravený text z Praktické elektroniky č. 12/98 a 1/99
20. 5. 1999