Indikátor slouží ke stavu ke zjišťování stavu olověného akumulátoru. Já jsem jej použil v záložním zdroji s bezúdržbovým gelovým olověným akumulátorem. Může být použit i v motorovém vozidle k indikaci stavu akumulátoru a dobíjení, obdobně jako kdysi populární "Batest".

Obr. 1. Indikátor stavu Pb akumulátoru
Fig. 1. Acid accumulator condition
indicator
V indikátoru (obr. 1.) je použit dvojitý komparátor s otevřeným kolektorem LM393. Napájecí napětí zmenšené děličem R2, R3 a R4 se porovnává s napětím Zenerovy diody. Přístroj rozliší tři napěťové úrovně. S uvedenými součástkami jsou tato napětí do 11,2 V (svítí LED1), od 11,2 do 13,5 V (svítí LED1 a LED2) a napětí větší než 13,5 V (svítí všechny LED). Pro jiná napětí je třeba změnit odpory rezistorů děliče, případně vyměnit Zenerovu diodu. Jemně upravit rozsah indikace lze změnou proudu tekoucím Zenerovou diodou, tj. výměnou R1.
Indikátor jsem použil ve spojení s bezúdržbovým akumulátorem a spínaným zdrojem ve zdroji 12 V k napájení radiostanice a staré video kamery. Indikátor se automaticky zapíná při větším odběru proudu. K tomu slouží proudové relé, viz obr. 2. Proudové relé zhotovíme tak, že na kontakt jazýčkového relé navineme asi 120 závitů drátem o průměru 0,38 mm. Pak relé spíná při proudu asi 300 mA. Odpor cívky v mém případě byl asi 0,3 Ohmů. Pro větší proud navineme úměrně méně závitů tlustším drátem. Vineme-li naopak větší počet závitů tenčím drátem, nalepíme na kontakt relé (trubičku) dvě ocelové podložky, mezi něž drát navineme. Vinutí upevníme smršťovací bužírkou. Indikátor lze kdykoliv zapnout také tlačítkem test. Pro indikaci napětí palubní sítě v automobilu není relé ani tlačítko potřeba, indikátor zapojíme do místa, kde se objeví napětí po otočení klíčkem startéru.

Obr. 2. Proudové relé
Fig. 2. Current relais
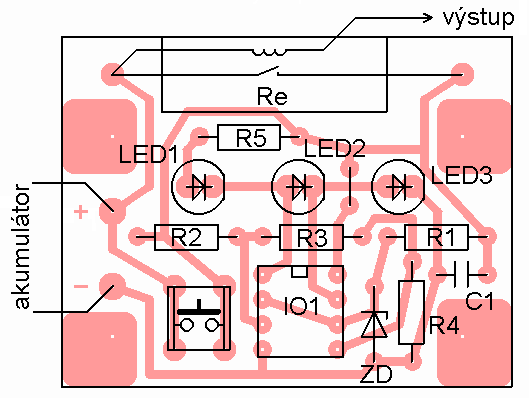
Indikátor můžete postavit na desce s plošnými spoji podle obr. 3. Oživíme jej nejlépe při napájení z regulovaného zdroje. Na zdroji nastavíme napětí 11 až 11,5 V. V rozsahu těchto napětí by se měla rozsvítit zelená LED. Žlutá LED by se měla rozsvítit v rozsahu 13 až 13,8 V. Není-li tomu tak a komparátory překlápějí při menším napětí, je referenční napětí malé. Bez výměny D1 si pomůžeme, zmenšíme-li odpor rezistoru R1. Pokud komparátory překlápejí při větším napětí, odpor R1 zvětšíme. Pro větší odchylky je třeba vyměnit ZD.
V autě umístíme indikátor nejlépe na palubní desce automobilu v zorném poli řidiče. Vývod 0 V (-) připojíme na kostru, vývod 12 V (+) např. na vývod některé pojistky, na které je napětí jen při zapnutém zapalování. Pak bude tester automaticky zapnut jen při jízdě. Kontakt relé v tomto případě nahradíme propojkou.

Obr. 3. Deska s plošnými spoji indikátoru napětí. Kliknutím
získáte obrázek v rozlišení 600 dpi
Fig. 3. Indicator PCB layout. Click to get
600 dpi resolution image

Obr. 4. Rozmístění součástek na desce
Fig. 4. Locations of components on the
board

Obr. 5. Deska indikátoru
Fig. 5. Indicator board
| R1 | 1,8 kOhm |
| R2 | 100 kOhm |
| R3 | 15 kOhm |
| R4 | 82 kOhm |
| R5 | 470 Ohm |
| C1 | 100 nF, keramic. |
| LED1 | červená / red |
| LED2 | zelená / green |
| LED3 | žlutá / yelow |
| ZD | 5,6 V (BZX83V005.6) |
| IO1 | LM393 |
| Re | proudové relé / current relais |
| Tl | tlačítko |
| Deska s plošnými spoji | bcs13 |
Jaroslav Belza
Praktická elektronika 7/1996 s. 30 (pod pseudonymem VH)
Konstrukční elektronika 3/1997 s. 94
25. 7. 2000