Som dlhotrvajúci užívateľ počítačov a od toho času, čo som počítač začal používať aj na počúvanie hudby, mi začal vadiť jeho hluk. Najväčší šum hneď po CD-mechanike a harddisku robí ventilátor zdroja. Ventilátor procesora býva obvykle tichý - i keď výnimka potvrdzuje pravidlo - ale zato sa dá ľahko vyčistiť, prípadne vymeniť. Na skriniach so zdrojom AT je iba málokedy použitý regulátor otáčok ventilátora - boli použité iba pri drahých značkových skriniach. Teraz je skôr problém nájsť skriňu ATX, ktorá regulátor otáčok nemá - iba pri tých najlacnejších nebývajú. Žiaľ, obvykle ani predajcovia nevedia, ktoré skrine reguláciu majú. Teraz už mám skriňu ATX s reguláciou otáčok, ale mal som niekoľko skríň klasických a do každej som urobil nejaký regulátor. O ten posledný by som sa chcel podeliť s ostatnými. Videl som niekoľko zapojení regulátorov, všetky mali spoločné to, že neboli dostatočne jednoduché. Jednoduchý regulátor vyžaduje zdroj referenčného napätia, rozdielový zosilňovač a koncový stupeň. Dá sa to aj poskladať z jednotlivých súčiastok, ale existujú obvody, ktoré to všetko obsahujú. Možno si niektorí spomenú na univerzálny regulátor TESLA MAA723 (CN), ktorý vyrábajú rôzni výrobcovia pod podobným označením (µA723...).

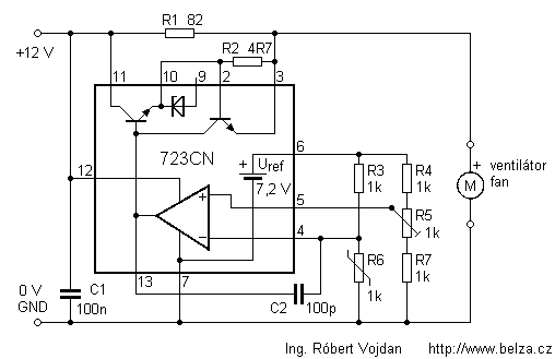
Obr. 1. Regulátor otáčok ventilátora PC
Figure 1. PC fan controler
Schéma je veľmi jednoduchá, plošný spoj je len na kúsku univerzálnej dosky. Regulátor je v prevedení DIL, oproti kovovému puzdru má väčší stratový výkon. R2 je vo funkcii nadprúdovej ochrany. Snímač tepla je ľubovoľný, najvhodnejší je v celoplastovom puzdre. Ak bude použitý taký, ktorého odpor s teplotou rastie, musí byť umiestnený v hornej časti mostíka (vymeniť vzájomne R3 a R6). Trimer R5 je lepšie použiť viacotáčkový. Dôležité je zabezpečiť, aby sa ventilátor zdroja vždy točil, musí prevetrávať zdroj a zároveň aj skriňu počítača. Je to vybavené rezistorom R1, paralelne pripojeným k regulátoru. Tým sa zároveň regulátor odľahčí, pretože jeho maximálny prúd je iba 150 mA. Väčšinou v zdrojoch býva ventilátor 12 V/2 až 2,3 W a jeho rozbehové napätie je medzi 5 až 7 V. R1 treba vybrať podľa použitého ventilátora.
Montáž je komplikovaná blízkou prítomnosťou pomerne vysokého jednosmerného napätia (320 V) – preto odporúčam veľkú opatrnosť. Pôvodný kábel z konektoru na zdroji je potrebné rozpojiť a priviesť na dosku regulátora. Prívody k termistoru je dôležité prekryť silikónovou bužírkou, možné medzery zaliať silikónom. Vlastný snímač je dobré prichytiť pevnou silikónovou hadičkou na rebro chladiča výkonového prvku tak, aby bol v prúde chladiaceho vzduchu (ešte lepšia je zmršťovacia bužírka – je pevnejšia ako silikónová). Odpor rezistoru R1 je dobré zistiť na stole pomocou nezávislého zdroja, polohu trimra R5 až po zmontovaní - predbežne stačí aj na stole.
| R1 | 82 Ohm/0,5 W |
| R2 | 4,7 Ohm |
| R3, R4, R7 | 1 kOhm |
| R5 | 1 kOhm, trimer 25otáčkový |
| R6 | KTY81-121, tepelný snímač |
| C1 | 100 nF |
| C2 | 100 pF |
| IO | MAA723CN (L146, µA723) |
Ing. Róbert Vojdan, e-mail: robert.vojdan(at)vrm.sk
Zapojení bylo otištěno v Praktické elektronice 7/2000 na s. 31
12. 10. 2000