| Vybíjecí proud: | Discharge current: | max. 3 A. |
| Chyba měření: | Measure error: | max. 5 % při proudu / at current 0,01 až 3 A. |
| Rozsah měření: | Measure range: | 0 až / to 9999 mAh. |
| Napětí akumulátoru: | Accumulator voltage: | max. 50 V. |
| Vybíjení je ukončeno při napětí: | Gischarging terminate voltage: | 3,3 V, 0,9 V nebo volitelně v rozsahu / optional 0,9 až / to 10 V. |
| Napájecí napětí přístroje: | Supply voltage: | 8 až / to 25 V. |
| Napájecí proud: | Supply current: | 10 až / to 150 mA (podle jasu displeje / depend of display bright). |
Základem měřiče je převodník proud-kmitočet. Výstupní impulsy převodníku se počítají v čítači, jehož obsah se zobrazuje na displeji. Při vhodné volbě převodních konstant se na displeji zobrazí přímo velikost prošlého náboje. Například při proudu 1 A se za 1 hodinu načítá 1000 impulsů. Zmenšíme-li však proud na 100 mA, bude výstupní kmitočet převodníku 10x nižší a impulsů bude jen 100. Abychom načítali impulsů 1000, tedy stejně jako v předešlém případě, musel by převodníkem procházet proud 10x déle. Z praktických důvodů je však při daném proudu kmitočet převodníku o několik řádů vyšší a na potřebný počet impulsů za jednotku času se zmenšuje děličem. Abychom nemuseli sledovat napětí akumulátoru, je měřič doplněn obvodem, který odpojí zátěž, zmenší-li se napětí pod nastavenou mez.

Obr. 1. Převodník proud-kmitočet
Figure 1. Current-frequency converter
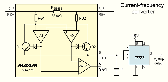
Zapojení převodníku proud–kmitočet je na obr. 1. V převodníku se využívá obvodu MAX471, který je určen pro sledování náboje akumulátorů v přenosných zařízeních. Sledovaný proud prochází mezi vývody RS+ a RS– obvodu. Proud vytváří úbytek napětí na vnitřním rezistoru s odporem asi 35 miliohmů. Úbytek napětí je podle směru toku proudu zesilován zesilovačem A1 nebo A2 a řídí se jím jeden ze dvou zdrojů proudu s tranzistory Q1 nebo Q2. Jejich výstupy jsou spojeny a vyvedeny na společný vývod OUT. Z tohoto vývodu teče proud, který je v absolutní hodnotě 2000x menší než proud procházející mezi vývody RS+ a RS–. Napětím z výstupů zesilovačů A1 a A2 se řídí komparátor. Na jeho výstupu (vývod SIGN) je logická úroveň signalizující směr toku proudu – znaménko. Údaj o směru proudu není v měřiči využit, předpokládá se pouze vybíjení baterie.
Proudem z výstupu OUT se nabíjí kondenzátor C připojený na známý časovač 555. Dosáhne-li napětí na kondenzátoru 2/3 napájecího, překlopí se klopný obvod v časovači a kondenzátor se rychle vybije interním tranzistorem časovače na 1/3 napájecího napětí. Pak se vnitřní klopný obvod časovače překlopí zpět a kondenzátor se může opět nábíjet proudem tekoucím z vývodu OUT obvodu MAX471. Protože rychlost nabíjení kondenzátoru je přímo úměrná nabíjecímu proudu, je výstupní kmitočet úměrný měřenému proudu.

Obr. 2. Zapojení měřiče kapacity akumulátorů
Figure 2. Accumulator charge meter circuit
drawing. Set C4+C5 (strong) and P2 (fine) to IC4 output frequency
455.11 Hz at 100 mA discharge current (or 910.22 Hz at 200 mA
etc.)
Celkové zapojení měřiče je na obr. 2. Vraťme se ještě k převodníku. Podle katalogových údajů se přesnost převodu proudu v obvodu rychle zhoršuje při malých proudech. Je to způsobeno pravděpodobně tím, že z výstupu OUT teče stále malý proud. V mém případě byl tento proud asi 0,6 µA, což by odpovídalo měřenému proudu 1,2 mA. Při měřeném proudu 12 mA by tento zbytkový proud způsobil chybu 10 %. Změřená chyba však byla podstatně menší, spíše to vypadá, že výstupní proud se nezmenší pod určitou mez. Rozhodl jsem se tento proud kompenzovat obvodem s tranzistorem T3, diodou D4 a trimrem P3. I hrubé nastavení kompenzačního proudu může znatelně zmenšit chybu měření při malých proudech. Pro úplnost dodávám, že podle katalogových údajů může být zbytkový proud vývodu OUT až 2,5 µA (chyba 10 % při 50 mA).
Dalším problémem je nastavení správného převodního poměru. Převodní poměr proudu v obvodu MAX471 měnit nelze. Hrubě je kmitočet nastaven kapacitou kondenzátoru. Protože se kondenzátory běžně prodávají pouze v řadě E6 a s tolerancí 10 %, je možno požadovanou kapacitu získat paralelním spojením kondenzátorů C4 a C5. Takto je vhodné nastavit kmitočet s přesností do 5 %. Jemně ho pak nastavíme trimrem P2. Při měřeném proudu 100 mA je třeba, abychom na čítač přivedli za hodinu 100 impulsů. Na výstupu převodníku by v takovém případě musel být kmitočet 0,02778 Hz. Takový kmitočet by se v průběhu nastavování přístroje měřil dosti obtížně, nehledě na to, že kondenzátor v převodníku by musel mít kapacitu asi 1000 µF při zanedbatelném svodovém proudu. Proto jsem zvolil kmitočet podstatně vyšší a za převodníkem následuje dělička 214, realizovaná obvodem 4020. Kmitočet převodníku při nastavování snadno změříme běžným čítačem (měřičem kmitočtu) a kondenzátor převodníku může být kvalitní fóliový, neboť má příznivou kapacitu okolo 58 nF.
Pro vlastní čítač jsem použil obvody 4033, které sdružují dekadický čítač a dekodér pro sedmisegmentový displej se společnou katodou. Oproti známějším obvodům 4026 se liší jen tím, že nemají nezávislý výstup segmentu „c“, umožňující zapojit obvod jako děličku 6 (v hodinách) i při zhasnutém displeji. Obvod 4033 má naopak vývody RBI a RBO, jejichž zřetězením lze potlačit nevýznamné nuly před měřeným údajem. Jednotlivé segmenty displeje se k dekodéru běžně připojují přes rezistory omezující proud. Než bych použil velké množství rezistorů, použil jsem raději obvod s tranzistory T4 a T5, kterým lze měnit napětí na katodách displejů, a segmenty displeje připojil přímo k IO. Potenciometrem P4 se mění napětí od 0,5 do 3 V a proud segmenty od 5 do 0,2 mA.
Nyní je třeba zmínit obvody řídící funkci měřiče. Po stisku tlačítka Sw1 „reset“ (a také po připojení napájecího napětí) se na vstupech hradla IC1b objeví úroveň L, na jeho výstupu úroveň H. Tím se vynuluje čítač s obvody IC6 až IC9 a předdělička IC5. Přes hradlo IC1a se klopný obvod z hradel IC1c a IC1d uvede do stavu, ve kterém je na vývodu 10 úroveň L a na vývodu 11 úroveň H. LED1 nesvítí a komparátor IC2b má výstupní tranzistor uzavřený. Uzavřený je rovněž tranzistor T1 a T2. Na zátěži je nulové napětí. Tím se překlopí komparátor IC2a, jeho výstupní tranzistor se otevře a udržuje úroveň L na vstupu IC1d (vývod 13). Přes diodu D3 se udržují kondenzátory C4 a C5 vybité, čímž se zablokuje převodník.
Připojíme měřený akumulátor a zátěž. Po stisku tlačítka „start“ se na výstupu hradla IC1c objeví úroveň H. Odblokuje se převodník (dioda D3), překlopí komparátor IC2b a otevřou se tranzistory T1 a T2. Do zátěže nyní protéká proud: v kladné větvi přes obvod MAX471, v záporné přes tranzistor T2. Na zátěži se objeví napětí, které sledujeme komparátorem IC2a. Je-li na zátěži větší napětí, než je nastaveno přepínačem, respektive potenciometrem P1, překlopí se komparátor IC2a a jeho výstupní tranzistor se uzavře. Na vstupu hradla IC1d - vývod 13 se objeví úroveň H, na výstupu (vývod 11) úroveň L a rozsvítí se LED1. Hradla IC1c a IC1d vytvářejí klopný obvod RS. Stav na jeho výstupech zůstane zachován i po uvolnění tlačítka „start“.
Vybije-li se akumulátor pod nastavené napětí, překlopí se komparátor IC2a a jeho výstup stáhne vstup IC1d do úrovně L. Tím se překlopí obvod RS, zhasne LED1 a odpojí zátěž. Na displeji zůstane svítit poslední načítaný stav. Nyní máme dvě možnosti. Buď můžeme tlačítkem „reset“ vynulovat čítač a připravit tak přístroj na další měření, nebo změnit (zmenšit) zátěž a tlačítkem „start“ pokračovat v měření. Zátěž můžeme měnit kdykoli v průběhu měření. Jedinou podmínkou je, aby trvalý proud obvodem MAX471 nebyl větší než 3 A.
Snímací rezistor je v obvodu MAX471 spojen s kladným pólem napájecího napětí. Pak by bylo prakticky nemožné otevřít tranzistor T2 z kladného napětí +5 V, pokud bychom měřili už téměř vybitý akumulátor s napětím těsně nad 0,9 V. Proto je k otevření tranzistoru T2 použito kladné nestabilizované napětí, které je nejméně o 3 V větší. Komparátor IC2b, tranzistor T1 a další součástky tvoří vlastně jen převodník napěťových úrovní.
Napětí akumulátoru se sleduje komparátorem IC2a. Děličem R5, R6 a R7 se vytváří úbytek napětí asi 0,455 V na rezistoru R5. Toto napětí se komparátorem porovnává s napětím z děliče R8 až R11 a P1. Přepínačem můžeme volit pevně nastavený dělič pro napětí 0,9 a 3,3 V nebo dělicí poměr nastavit potenciometrem P1. Referenční napětí komparátoru je odvozeno z napájecího napětí +5 V. Proto musí být toto napětí poměrně přesně nastaveno a stabilní. Není to příliš čisté zapojení, protože ze stabilizátoru se napájí i displej, v praxi však vyhovělo.

Obr. 3. Deska s plošnými spoji měřiče. Kliknutím získáte
obrázek v rozlišení 600 dpi (138 kB)
Figure 2. Charge meter PCB layout. Click to
get 600 dpi resolution image (138 kB)
![]() |
![]() |
Obr. 4. Rozmístění součástek měřiče na
horní a dolní straně desky
Figure 4. Locations of components on the
Charge meter board on top and bottom side
Měřič kapacity akumulátorů je postaven na jednostranné desce s plošnými spoji, osazené klasickými a SMD součástkami. V provedení SMD jsou všechny rezistory, blokovací kondenzátory a „malé“ tranzistory. Volitelně lze použít v SMD i tranzistor T5, diodu D5 a kondenzátor C3. Větší složitost zapojení si vyžádala devět drátových propojek a na některých místech i spoje procházející mezi vývody IO.
Před osazením součástkami si desku nejdříve pečlivě připravte. Vyvrtejte všechny potřebné díry a případně ji opilujte tak, aby se bez problémů vešla do krabičky. Osaďte nejdříve SMD ze strany spojů a teprve potom klasické součástky, potenciometry a přepínač. K propojení vývodů potenciometrů s deskou použijeme tenký pocínovaný drát. Pokud chcete, můžete osadit IO do objímek. Obvod MAX471 v objímce být nesmí, je třeba jej zapájet přímo do desky. Přechodové odpory kontaktů objímky by mohly způsobit nerovnoměrné rozložení proudů mezi vývody 2 a 3, resp. 6 a 7.
Po osazení součástek připojíme napájecí napětí přes ampérmetr. Při napájecím napětí větším než 8 V by měl na displeji svítit nějaký údaj (nejspíše 0) a jeho jas by se měl dát řídit potenciometrem P4. Změříme napájecí napětí 5 V. Oproti společnému vodiči bychom neměli naměřit odchylku větší než 20 mV. Vzhledem k tolerancím prodávaných obvodů LM317 však budete nejspíš muset připojit k R22 nebo R23 paralelně rezistor s vhodným odporem tak, aby napájecí napětí bylo co nejblíže +5 V. Pájecí plošky pro rezistory jsou na desce již připraveny. V mém případě jsem musel připojit rezistor 22 kOhm paralelně k R23, bez něho bylo napájecí napětí téměř 5,2 V.
Máte-li nastaveno napájecí napětí, připojte místo akumulátoru regulovatelný zdroj. Držte stisknuté tlačítko „start“ a měňte pomalu napětí zdroje. Skutečné vypínací napětí poznáte tak, že se právě rozsvítí (nebo zhasne) LED. Zkontrolujte vypínací napětí 0,9 a 3,3 V, stejným způsobem lze i ocejchovat stupnici potenciometru P1.
Zbývá nastavit převodní konstantu a kompenzační proud. Místo akumulátoru nechte připojený zdroj nebo nějakou baterii. Propojku JP1 přehoďte do polohy test. Nastartujte měřič. I bez připojené zátěže bude čítač připočítávat impulsy způsobené zbytkovým proudem obvodu MAX471. K měřiči připojte zátěž tak, aby vybíjecí proud byl v rozsahu 0,1 až 1 A. Změřte co nejpřesněji vybíjecí proud. Změřenou velikost proudu v mA vynásobte konstantou 4,5511. Výsledek představuje kmitočet v Hz, který bychom měli naměřit na vývodu 3 časovače 555 nebo na propojce v poloze test. Např. při proudu 100 mA by měl být kmitočet 455,11 Hz. Bude-li se kmitočet výrazně lišit, upravte kapacitu kombinace C4 a C5. Při menší odchylce dolaďte kmitočet trimrem P2. Zmenšete zátěž tak, aby vybíjecí proud byl jen 10 až 20 mA. Změřte kmitočet a trimr P3 nastavte tak, aby chyba měření byla co nejmenší.
V případě potřeby můžete také upravit pevně nastavená vypínací napětí. Měnit napětí 0,9 V pro akumulátory NiCd a NiMH asi nemá smysl, protože napětí akumulátoru se v závěru vybíjení zmenšuje velmi rychle a výsledky měření se budou lišit jen málo. Napětí 3,3 V jsem zvolil s ohledem na konkrétní využití článků Li-ion. Pro vypínací napětí 2,7 V je třeba upravit odpory R10 a R11 tak, aby jejich součet byl asi 18,5 kOhm, pro napětí 3 V pak asi 21,5 kOhm. Potřebujete-li nastavit napětí větší než 10 V, použijte P1 s větším odporem. Vraťte JP1 do polohy měření. Tím je přístroj elektricky nastaven a připraven k použití.
Desku s plošnými spoji jsem vestavěl do krabičky KP5, ze které je třeba odstranit rohové trny. Vrchní a spodní díl je pak spojen distančním sloupkem ve středu krabičky. Mezera mezi vrchním a spodním dílem je o málo větší než 20 mm. Aby se víko při utaženém šroubu neprolomilo, je třeba sloupek ještě podložit 2 až 3 podložkami. K napájení používám adaptér od nabíječky k vrtačce. Výstupní napětí adaptéru naprázdno je asi 25 V, po zatížení proudem 150 mA asi 22 V. Při tak velkém napájecím napětí nelze ponechat nastavený maximální svit displeje, protože se stabilizátor přehřívá. Pro plný jas je třeba použít menší napájecí napětí (8 až 12 V) nebo stabilizátor opatřit chladičem.
Měřič jsem úspěšně použil k roztřídění akumulátorů Li-ion z vyřazených baterií mobilních telefonů. Opotřebení se na těchto akumulátorech projevuje především zvětšením vnitřního odporu článků. Při velkém vybíjecím proudu je jejich kapacita malá, ale např. pro napájení přístrojů s malým odběrem ještě vyhoví. Přístrojem lze také měřit kapacitu akumulátorů NiCd, NiMH, alkalických a olověných gelových. Výhodou je, že si můžete změřit kapacitu akumulátoru v konkrétní aplikaci, protože jako zátěž může sloužit přístroj, který bude akumulátor potom napájet.
| R1, R3, R17 | 1 MW, SMD 1206 | D1 až D4 | 1N4148, SMD | |
| R2, R4, R18 | 100 kW, SMD 1206 | D5 | 1N4007, SMD nebo DO41 | |
| R5 | 470 W, SMD 1206 | ZD | 16 V, Zenerova dioda SMD BZV55C16 | |
| R6 | 2 kW, SMD 1206 | T1, T2 | BC856B | |
| R7 | 2,7 kW, SMD 1206 | T3 | BC847C | |
| R8, R9, R21 | 4,7 kW, SMD 1206 | T4 | IRLZ34N | |
| R10, R12, R13, R15, R19 | 22 kW, SMD 1206 | T5 | BC639 nebo BCP68-25 | |
| R11, R16 | 2,2 kW, SMD 1206 | IC1 | CMOS 4093 | |
| R20 | 3,9 kW, SMD 1206 | IC2 | LM393 | |
| R22 | 330 W, SMD 1206 | IC3 | MAX471CPA | |
| R23 | 1 kW, SMD 1206 | IC4 | TS555 | |
| P1 | 100 kW, potenciometr PC1222NK100 | IC5 | CMOS 4020 | |
| P2 | 10 kW, trimr PT6VK010 | IC6 až IC9 | CMOS 4033 | |
| P3 | 100 kW, trimr PT6VK100 | IC10 | LM317K | |
| P4 | 5 kW, potenciometr PC1222NK005 | LED1 | LED s malým příkonem, červená | |
| C1, C2 | 33 nF, SMD 1206 | O1, O2 | HDSP-K123 | |
| C3 | 1 µF, SMD nebo subminiaturní | Sw1, Sw2 | tlačítko DT6 | |
| C4, C5 | dohromady asi 58 nF viz text, fóliové s roztečí RM=5 mm |
Sw3 | posuvný přepínač 3 polohy | |
| C6až C10 | 100 nF, SMD 1206 | K1 | napájecí zásuvka SCD-016 | |
| deska s plošnými spoji bcs48 | ||||
| krabička KP5 | přívodní kablíky a krokosvorky | |||
[1] Katalogový list obvodu MAX471 http://pdfserv.maxim-ic.com/en/ds/MAX471-MAX472.pdf.
Vladimír Hejtmánek
Měřič kapacity akumulátorů byl otištěn v PE 6/2004
2. 7. 2004