Váhový filtr slouží pro měření odstupu rušivých napětí podle křivky "A". Bere v úvahu kmitočtovou závislost citlivosti lidského ucha. Rušivé signály (brumy, šumy, ...) na krajích kmitočtového pásma jsou vnímány méně intenzivně než ve středu pásma. Přínos měření odstupu rušivých napětí je diskutabilní. Měření s filtrem lépe vystihuje subjektivní dojem z audiozařízení, na druhé straně umožňuje výrazně "vylepšit" parametry přístroje: např. většina kazetových magnetofonů má odstup cizích napětí (tj. bez filtru) asi 45 dB, odstup rušivých napětí (tj. s váhovým filtrem) 60 až 70 dB. Nejlépe by bylo udávat odstup cizích i rušivých napětí.
Váhový filtr může být doplněn do každého nf milivoltmetru, čímž se zvýší jeho užitná hodnota.
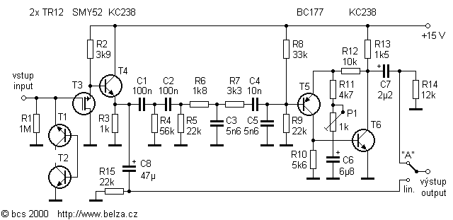
V AR A10/95 byl v článku „Váhový filtr pro měření v elektroakustice” popsán tzv. psofometrický filtr [1]. Již více než 15 let používám mnohem jednodušší zapojení, jehož schéma je na obr. 1.

Obr. 1. Váhový (psofometrický) filtr
Figure 1. Psofometric filter
Vstupní signál je nejdříve přiveden na zesilovač s tranzistory T3 a T4, který zajišťuje velký vstupní odpor měřicího přístroje a zdroj signálu s malým vnitřním odporem pro buzení filtru. Tranzistory T1 a T2 chrání tranzistor T3 před proražením velkým vstupním napětím. Následuje pasivní filtr, zajišťující úpravu kmitočtové charakteristiky podle křivky „A” pro měření odstupu rušivých napětí. Ač se mi to zdá dnes již těžko uvěřitelné, zapojení filtru nevzniklo výpočtem, ale „bastlením”. Nejdříve jsem přibližně určil zapojení filtru. Protože kmitočtová charakteristika připomíná pásmovou propust, použil jsem Wienův člen a pro dosažení potřebné strmosti jsem jej doplnil dolní (1.řádu) a horní (2.řádu) propustí. S jistou dávkou štěstí se mi po několika úpravách hodnot součástek podařilo dosáhnout, že kmitočtová charakteristika filtru se shodovala s normou stanovenou křivkou „A” s přesností lepší než 1 dB v celém sledovaném kmitočtovém pásmu (20 Hz až 20 kHz). To je přesnost, která pro běžná měření zcela vyhoví.
Následující zesilovač s tranzistory T5 a T6 kompenzuje útlum filtru. Trimrem nastavíme zesílení tak, aby na výstupu byl při kmitočtu 1 kHz v obou polohách přepínače stejně velký signál.
Filtr mám zapojen přímo v nízkofrekvenčním milivoltmetru. Na obr. 1 je vlastně jeho část mezi vstupním děličem a následným lineárním usměrňovačem. Přiznávám, že zapojení filtru je poněkud letité. Není proto míněno jako stavební návod, ale spíše jako inspirace pro vlastní experimentování. Dnes bych nahradil vstupní i výstupní zesilovač operačním zesilovačem. Úpravu neuvádím, věřím, že ji zvládne každý středně zdatný konstruktér.
Tento můj (milý) hřích mládí mi dodnes připomíná, jak může tvůrčí nadšení někdy nahradit nedostatek znalostí a vést k řešením, jež mohou být jednodušší. Obávám se, že kdybych měl dnes navrhnout podobný filtr, bylo by výsledkem zapojení obdobné složitosti jako v [1].
Jaroslav Belza
Zapojení tohoto váhového filtru bylo otištěno v
Praktické elektronice 5/1996 na s. 26.
[1] Matoušek, T.: Váhový filtr pro měření v
elektroakustice. Amatérské radio A10/1995, s. 17.
3. 9. 2000