Lamp will switch on automaticaly if ambient light will be quickly low. P1 trimpot adjust light time between 1 and 26 second. Lamp have very low idle supply current. Lamp uses dual monostable flip-flop 4538. First monostable determine light-on time. Second monostable blocking first one when lamp go switch-off and prevent restart it. Manual switch choose between automatic light-on mode and pernament light-on mode. Lamp is powered from one Li-ion cell. On PCB may be placed charger from Fig. 2.
Jistě se vám již také stalo: nocujete např. na horské chatě a jdete spát. U dveří zhasnete světlo a pak se v neznámém prostředí opatrně potmě šátráte ke své posteli a snažíte se o nic nepřerazit. V takovém případě by se vám možná hodila zde popsaná lampička, která se automaticky na několik desítek sekund rozsvítí, pokud se náhle setmí. Lampička reaguje pouze na zhasnutí světla, při pomalém stmívání se nerozsvítí. Obvod lampičky je navržen tak, aby měl zanedbatelnou vlastní spotřebu, nemusel se vypínat a baterie lampičky vydržela dlouho bez nabíjení.
| Napájecí napětí: Supply voltage: |
3,5 - 5 V (3 - 15 V with changed R5). |
| Odběr proudu v klidu při 4 V: Idle supply current: |
méně než / less than 1 µA. |
| Odběr při svícení: Light-on supply current: |
podle proudu LED. depend of LED current |
| Doba aut. svícení: Automatic light-on time: |
1 - 26 s. |

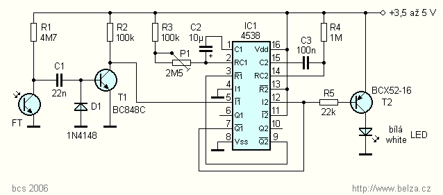
Obr. 1. Zapojení automatické lampičky
Fig. 1. Automatic lamp circuit drawing
Zapojení lampičky je na obr. 1. Povšimněte si nejdříve bistabilního klopného obvodu s hradly IC2c a IC2d. Tlačítkem se přepíná, zda má lampička svítit trvale, či se rozsvěcí automaticky. Předpokládejme, že je nyní v režimu automatického rozsvěcení a na výstupu hradla IC2c je úroveň log. 0. Intenzita osvětlení je snímána fototranzistorem FT. Při náhlém setmění se fototranzistor uzavře a kondenzátor C1 se nabíjí přes rezistor R1. Nabíjecím proudem se otevře tranzistor T1 a sestupnou hranou signálu na jeho kolektoru se spustí první monostabilní klopný obvod (MKO) v IC1. Při pomalém stmívání se nabíjí C1 pomalu a nabíjecí proud nestačí k otevření T1.
Monostabilní klopný obvod CMOS typu 4538 má oproti MKO s časovačem 555 řadu výhod: Je spínán hranou a ne úrovní, přičemž si můžeme vybrat vstup reagující na náběžnou nebo sestupnou hranu. Má dva komplementární výstupy, takže nemusíme výstupní signál invertovat, když ho zrovna potřebujeme s opačnou úrovní. Další, pro tuto konstrukci klíčová vlastnost obvodu je, že v klidu má prakticky nulovou spotřebu. Časovač 555 v provedení CMOS má při napětí 4 V odběr asi 100 µA, kdežto u této lampičky teče v klidu největší proud rezistorem R1 (asi 0,9 µA); za tmy je odběr ještě menší.
Po spuštění MKO1 se na výstupu Q1 (vývod 6 IC1) objeví úroveň H a následně na výstupu hradla IC2b úroveň L. Tranzistor T2 se otevře a LED1 rozsvítí. Dobu překlopení MKO1 je možno nastavit trimrem P1. Po uplynutí nastaveného času se na výstupu Q1 objeví úroveň L, na výstupu hradla IC2b úroveň H a LED1 zhasne. Je však třeba zajistit, aby její zhasnutí nespustilo znovu MKO1. K tomu slouží druhý MKO v pouzdru IC1, spouštěný náběžnou hranou na vstupu I2 (vývod 12). Po dobu překlopení MKO2 je na výstupu Q2 úroveň H a na výstupu hradla IC2a úroveň L. Tento signál je přiveden na nulovací vstup MKO1 (vývod 3). Po dobu překlopení MKO2 je MKO1 zablokován a nemůže se znovu spustit. Osvětlovací LED1 může proto klidně svítit i na fototranzistor, funkce lampičky tím není narušena. Doba překlopení MKO2, zde asi 100 ms, vyhoví pro běžné bílé LED, které mají díky luminoforu dosvit až několik desítek ms. Pokud by byla ke svícení použita žárovka, bylo by třeba dobu překlopení MKO2 prodloužit zvětšením kapacity C3 a/nebo odporu R4.
V případě potřeby lze lampičku trvale rozsvítit stiskem tlačítka. Na výstupu hradla IC2c se objeví úroveň H. Na výstupu IC2a se objeví úroveň L, čímž vynuluje a zablokuje MKO1. Současně se objeví úroveň L na výstupu hradla IC2b a LED1 se rozsvítí. Lampičku lze zhasnout opětovným stiskem tlačítka. Současně se spustí MKO2 a na okamžik blokuje MKO1, aby se znovu nespustil zhasnutím LED, stejně jako v automatickém režimu. Všimněte si, že dvojklikem na tlačítko lze předčasně zhasnout automaticky rozsvícenou LED1, protože ručním rozsvícením se MKO1 vynuluje.
Ke svícení jsem použil jednu bílou LED. Nové typy diod mají při napájení proudem 20 mA svítivost až k 50 cd, a jejich svit na orientační posvícení zcela dostačuje. Vhodné LED prodává např. firma AC/DC Audio nebo Flajzar. LED je napájena z tranzistoru T2, jehož kolektorový proud je závislý na proudu do báze a lze ho měnit odporem rezistoru R5.

Obr. 2. Nabíječka akumulátoru lampičky
Fig. 2. Li-ion accu charger
K napájení lampičky jsem použil vyřazený akumulátor Li-ion z baterie notebooku. Akumulátor má větší vnitřní odpor, což při odběru řádu desítek mA nevadí. Obdobně lze využít i „utahané“ baterie z mobilních telefonů. Lampička je doplněna nabíječkou podle obr. 2. Akumulátor v lampičce tak můžeme dobít třeba nabíječkou od mobilního telefonu nebo z portu USB počítače. Zapojení nabíječky je podrobně popsáno zde.

Obr. 3. Deska s plošnými spoji automatické lampičky.
Použijete-li pravé tlačítko myši a zvolíte-li
"Uložit obrázek jako", získáte předlohu spojů v
rozlišení 600 dpi. Deska má rozměr 30 x 60 mm.
Fig. 3. Automatic lamp with charger PCB
layout. Click right mouse button and choose
"Save image as" to get 600 dpi resolution image. PCB
size is 30 x 60 mm.

Obr. 4. Rozmístění součástek lampičky
Fig. 4. Locations of components on the
automatic lamp
Všechny elektronické obvody lampičky jsou na jedné desce s plošnými spoji. Na desce (obr. 3) je kromě obvodů lampičky z obr. 1 i nabíječka z obr. 2. Součástky nabíječky osadíme pouze tehdy, chceme-li dobíjet akumulátor Li-ion nebo Li-pol. K nabíjení NiCd, NiMH a alkalických akumulátorů se nabíječka nehodí! Deska je osazena převážně součástkami SMD ze strany spojů. Z opačné strany desky je osazena LED1, trimr P1, fototranzistor, tlačítko a nabíjecí konektor. Až na konektor lze i tyto součástky osadit ze strany spojů. Kondenzátor C2 se v provedení SMD vejde na desku jen těsně. Můžete místo něho použít subminiaturní elektrolytický kondenzátor umístěný naležato z druhé strany desky. Fototranzistor můžete vypájet např. ze staré počítačové myši. Do konektoru 3,8 x 1 mm lze zasunout např. nabíječku k telefonům Nokia.
Oživení lampičky je snadné, vše by mělo fungovat na první zapojení. Trimrem P1 nastavíme požadovaný čas svícení, u nabíječky zkontrolujeme výstupní napětí, které by mělo být 4,15 až 4,2 V. Pokud zařízení nebude fungovat, porovnejte logické signály v obvodu s popisem funkce.
Protože jsem neměl čas vyrábět krabičku, umístil jsem svítilnu nouzově do krabičky na součástky, která se prodává v GM Electronic. Deska se součástkami je přišroubována k průhlednému víčku krabičky přes distanční sloupky 8 mm. V krabičce je ještě akumulátor a „transportní“ spínač u akumulátoru, kterým lze lampičku zcela vypnout, aby se nerozsvítila a nevybila náhodným zapnutím při přepravě v nacpané tašce. Provedení lampičky je na fotografii, věřím, že si ji dokážete vyrobit vzhlednější.

Obr. 5. Postavený vzorek lampičky
Fig. 5. Outside view

Obr. 6. Vnitřek lampičky
Fig. 6. Inside view

Obr. 7. Deska s pl. spoji
Fig. 7. PCB view

Obr. 8. Postavený vzorek lampičky
Fig. 8. Top side view

Obr. 9. Takhle to svítí ve tmě
Fig. 9. Dark view
| lampička | nabíječka | |||
| R01, R02 | 0 Ohm, propojka (není ve schématu) | R11 | 2,2 Ohm, SMD 1206 (pro na- bíjecí proud 230 mA) |
|
| R1 | 4,7 MOhm, SMD1206 | R12 | 470 Ohm, SMD 1206 | |
| R2, R3 | 100 kOhm, SMD 1206 | R13, R17 | 100 kOhm, SMD 1206 | |
| R4, R7 | 1 MOhm, SMD 1206 | R14 | 22 kOhm, SMD 1206 | |
| R5 | 22 kOhm, SMD 1206 | R15 | 680 Ohm, SMD 1206 | |
| R6 | 10 kOhm, SMD 1206 | R16 | 15 kOhm, SMD 1206 | |
| P1 | 2,5 MOhm, trimr PT6V | R18 | 330 Ohm, SMD 1206 | |
| C1 | 22 nF, SMD 1206 | LED2 | červená (oranž.) SMD 1206 | |
| C2 | 10 mikroF/16 V, SMD A tantal. | T11 | BCX54-16 (kód BD) | |
| C3, C4 | 100 nF, SMD | T12, T13, T15 B | C857 (kód 3F) | |
| D1 | 1N4148, SMD SOD80 | T14 | BSS138 (kód SS nebo J15) | |
| LED1 | bílá s velkou svítivostí | IC11 | TL431C, SMD SO8 | |
| FT | fototranzistor L-NP-3C1, viz text |
K1 | zásuvka 3,8 x 1 mm | |
| T1 | BC848C (kód 1L) | |||
| T2 | BCX52-16 (kód AM) | |||
| IC1 | 4538 SMD SO16 | |||
| IC2 | 4001 SMD SO14 | |||
| TL1 | P-B1720C | |||
| deska s plošnými spoji bcs55 | ||||
Na obr. 10 je zapojení lampičky bez spínače pro případ, že nebude potřeba. Lampička reaguje jen na "náhlou tmu".

Obr. 10. Zapojení lampičky bez spínače
Fig. 10. Automatic lamp circuit without
On/Auto switch
Jaroslav Belza
ILampička byla otištěna v PE 5/2006 na s. 27
2. 6. 2006