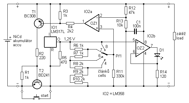
Podle obecně rozšířeného názoru je třeba akumulátory NiCd pře nabíjením vybít, aby se vyloučil paměťový jev. I když je to zřejmě jen pověra, můžeme přesto tento obvod použít pro zjištění kapacity akumulátorové baterie. Vybíječ je přizpůsoben pro vybíjení baterií se 4, 6, 7 a 8 články, které se v modelářské praxi nejvíce používají. Vybíječ je možno také použít při formování baterií, kdy je třeba akumulátory několikrát nabít a vybít.
Vybíječ nepotřebuje žádný další zdroj, napájí se z vybíjené baterie. To omezuje minimální počet článků v baterii na čtyři. Jako referenční zdroj napětí je použit stabilizátor LM317L v zapojení, které poskytuje nejmenší výstupní napětí. Rezistor R5 představuje minimální potřebnou zátěž stabilizátoru. Konečné napětí baterie je 0,9 V na jeden článek. Požadované napětí volíme přepínačem Př1. Odporový dělič R12, R13 je navržen tak, aby při konečném napětí baterie s osmi články (7,2 V) bylo na rezistoru R13 napětí přibližně 1,25 V. Toto napětí se porovnává s napětím na výstupu stabilizátoru. Pro baterii s menším počtem článků zvolíme přepínačem příslušné menší referenční napětí. Pro komparátor je použit obvod LM358, který pracuje již při malém napětí. Aby vybíječ pracoval spolehlivě i při napětí 3,6 V, byl na místě T2 použit bipolární tranzistor. Jeho spínací vlastnosti jsou horší než u tranzistoru řízeného polem, což v tomto případě není na závadu.
Zátěž je k vybíječi připojena externě. Odpor zatěžovacího rezistoru zvolíme podle požadovaného vybíjecího proudu 6,8 až 56 Ohmů. Rezistor musí být na zatížení, odpovídající nabité baterii. Např. rezistor s odporem 10 Ohmů by měl vydržet P = U^2/R = (8 x 1,25)^2/10 = 10 W. Místo zatěžovacího rezistoru můžeme použít žárovku 2 až 10 W pro napětí 12 V. Protože odpor vlákna žárovky se mění při změně napětí, je vybíjecí proud méně závislý na napětí baterie.
Druhý OZ v pouzdře je využit ke stabilizaci proudu indikační LED. Proud je nastaven rezistorem R14 asi na 10 mA.

Obr. 1. Vybíječ NiCd akumulátorů - odpojovač
Fig. 1. NiCd accu discharger
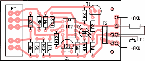
Deska s plošnými spoji pro vybíječ akumulátorů NiCd je na obr. 2. Tranzistor BD241 vyhoví pro proudy do 2 A. Pro vybíjecí proudy do 1 A stačí tranzistor BD135 apod. Pro větší proudy by bylo třeba použít speciální tranzistor řízený polem, některý z typů, jimž stačí pro úplné otevření napětí řídicí elektrody 3 až 3,5 V. Přepínač je typu SS24H03 z nabídky bývalé KTE. Bohužel nevím, zda je dnes k dostání obdobný typ. Tento vybíječ můžete použít také jako odpojovač, je-li třeba zamezit hlubokému vybití akumulátorů.

Obr. 2. Deska s plošnými spoji pro vybíječ. Kliknutím
získáte obrázek v rozlišení 300 dpi
Fig. 2. Discharger PCB layout. Click to get
300 dpi resolution image

Obr. 3. Rozmístění součástek na desce
Fig. 3. Locations of components on the
board

Obr. / Fig. 4. Foto / Photo
| R1, R3, R6, R7 | 1 kOhm |
| R2 | 220 Ohm |
| R4 | 2,2 kOhm |
| R5 | 470 Ohm |
| R8, R9, R10 | 2 kOhm |
| R11 | 330 kOhm |
| R12 | 47 kOhm |
| R13 | 10 kOhm |
| R14 | 120 Ohm |
| C1 | 100 nF, keramic. |
| D1 | LED |
| T1 | BC308, BC558 (p-n-p) |
| T2 | BD241 (n-p-n) |
| IO1 | LM317L |
| IO2 | LM358 |
| Př1 | SS24H03 |
Jaroslav Belza
Konstrukční elektronika 3/1997 s. 99
4. 4. 2000