Build-in charger for instruments powered single Li-ion or Li-pol accumulator. If external charge voltage not conected to charger, back current from accu to charger is very small (not measured ordinary multimeters)

Obr. 1. Vestavná nabíječka akumulátorů Li-ion
Fig. 1. Build-in Li-ion accumulator charger
| Napájecí napětí / Supply voltage: | 5 až 15 V. |
| Nabíjecí napětí / Charge voltage: | 4,2 V (nastavitelné / adjusted). |
| Nabíjecí proud / Charge current: | 200 mA @ R1 = 2,2 ohm. |
| Pracovní teplota / Operating temperature: | +10 ... +60 °C / xx ... yy °F |
| Minimální napájecí napětí pro plné nabití
akumulátoru: Lowest supply voltage for accu fully charging: |
4,85 V (@ 25 °C). |
Před časem jsem potřeboval do jednoho zařízení napájeného akumulátorem Li-ion vestavět nabíječku, aby bylo možno přístroj dobíjet z různých zdrojů napětí. Nabíječka je v přístroji trvale připojena k akumulátoru, a pokud není akumulátor dobíjen, neměl by do nabíječky téci žádný zpětný proud. Pro tyto účely existuje vynikající obvod MAX1811, ten je však určen k nabíjení akumulátoru z rozhraní USB a maximální napájecí napětí je pouze 6,5 V. Nabíječka, jejíž zapojení je na obr. 1, pracuje od napětí 5 V a maximální napájecí napětí je omezeno pouze výkonovou ztrátou regulačního tranzistoru T1 a průrazným napětím tranzistorů T1 a T2. S uvedenými součástkami ji lze použít v rozsahu 5 až 15 V při nabíjecím proudu 100 mA. Minimální napětí zdroje, při kterém se akumulátor zcela nabije, je asi 4,85 V, nabíjení však v závěrečné fázi, kdy je rozdíl mezi vstupním a výstupním napětím malý, trvá déle. Základem nabíječky je stabilizátor napětí s obvodem TL431C. Zpětnovazební dělič je od výstupu oddělen sledovačem s tranzistorem T4, takže neodebírá z akumulátoru žádný proud ani tehdy, když je nabíječka odpojena od vstupního napětí. V tomto případě je tranzistor T1 zapojen inverzně a je zcela uzavřený, protože na bázi má stejné nebo menší napětí než na kolektoru. Průrazné napětí přechodu emitor-báze je 6 až 9 V, takže lze toto zapojení použít pouze pro nabíjení jednoho článku Li-ion nebo Li-pol. Současně tento přechod chrání proti průrazu i řídicí elektrodu (gate) tranzistoru T4 při odpojeném akumulátoru. Uvedené řešení má jeden zásadní nedostatek, kterým je teplotní závislost prahového napětí tranzistoru MOSFET na teplotě. Tato závislost je částečně kompenzována zapojením termistoru NTC do zpětnovazebního děliče. Na obr. 2. je teplotní závislost výstupního napětí pro nekompenzovaný dělič (oranžová křivka) a po kompenzaci termistorem (modrá křivka).

Obr. 2. Závislost výstupního napětí nabíječky v
závislosti na teplotě bez kompenzace (oranžová křivka) a s
kompenzací (modrá křivka)
Fig. 2. Temperature compensation T4
treshold voltage with NTC thermistor
Báze tranzistoru T1 a regulátor IO1 jsou napájeny proudem tekoucím z kolektoru T2. Nabíjecí proud vytváří úbytek napětí na rezistoru R1. Překročí-li úbytek napětí asi 0,5 V, otevírá se tranzistor T3, který přivře tranzistor T2 a budicí proud z jeho kolektoru se zmenší. Odporem rezistoru R1 lze snadno nastavit nabíjecí proud ve fázi nabíjení „konstantním“ proudem. Při odporu 4,7 ohm bude nabíjecí proud asi 100 mA, při 2,2 ohm asi 230 mA a při 1 ohm asi 500 mA. Při větších nabíjecích proudech a napětích je nutné tranzistor T1 dobře chladit, případně použít tranzistor v klasickém provedení s chladičem! Na obr. 3 a 4 je deska s plošnými spoji nabíječky, osazená převážně SMD, na obr. 5 fotografie funkčního vzorku. Termistor se mi nepodařilo sehnat v provedení SMD, rovněž trimr je „klasický“ s ohnutými vývody. Termistor a trimr lze po vyvrtání děr zapájet i z druhé strany desky. Chcete-li si nabíječ postavit s klasickými součástkami, lze na místě T1 použít např. BD241C, na místě T2 a T3 BC557B a na místě T4 typ BS108.

Obr. 3. Deska s plošnými nabíječky. Použijete-li pravé
tlačítko myši a zvolíte-li "Uložit obrázek jako",
získáte předlohu spojů v rozlišení 600 dpi
Fig. 3. PCB layout. Click right mouse
button and choose "Save image as" to get 600 dpi
resolution image

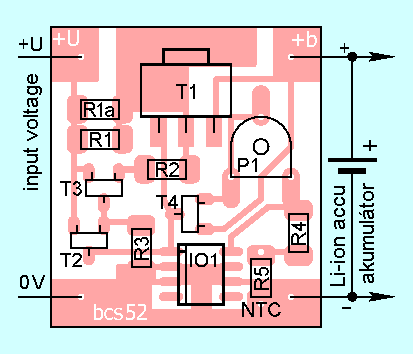
Obr. 4. Rozmístění součástek nabíječky
Fig. 4. Locations of components on charger
board
| R1 | 2,2 ohm, SMD 1206 (pro 230 mA, viz text) | |
| R2 | 470 ohm, SMD 1206 | |
| R3 | 100 kohm, SMD 1206 | |
| R4 | 47 kohm, SMD 1206 | |
| R5 | 10 kohm, termistor NTC | |
| P1 | 22 kohm (25 kohm), trimr PT6V | |
| T1 | BCP68-25 | BD241C |
| T2, T3 | BC857 (kód 3F) | BC557B |
| T4 | BSS138 (kód SS nebo J15) | BS108 |
| IO1 D | TL431C SMD | |
| PBC | bcs52 |

Obr. 5. Fotografie
Fig, 5. Charger prototype board photo
Jaroslav Belza
Nabíječka byla otištěna v časopise Praktická
elektronika č. 4/2005 na s. 24.
Publicated in czech magazine
"Praktická elektronika" No. 4/2005 p. 24.
24. 4. 2005